- Home
- Prodotti siderurgici nuovi
- Inox
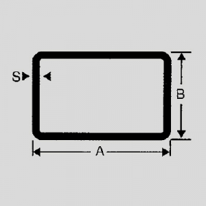
- TUBO RETTANGOLARE INOX AISI 304
Misure di uso corrente
Spessore mm
| AxB | 1 | 1,2 | 1,5 | 2 | 3 | 4 | 5 |
|---|---|---|---|---|---|---|---|
| 20x10 | 0,45 | 0,54 | 0,66 | ||||
| 25x15 | 0,61 | 0,73 | 0,90 | 1,17 | |||
| 30x10 | 0,61 | 0,73 | 0,90 | 1,17 | |||
| 30x15 | 0,69 | 0,83 | 1,02 | 1,33 | |||
| 30x20 | 0,77 | 0,92 | 1,14 | 1,49 | |||
| 35x15 | 0,77 | 0,92 | 1,14 | 1,49 | |||
| 40x20 | 0,93 | 1,11 | 1,37 | 1,81 | 2,64 | ||
| 40x30 | 1,09 | 1,30 | 1,61 | 2,13 | 3,12 | ||
| 50x20 | 1,09 | 1,30 | 1,73 | 2,13 | 3,12 | ||
| 50x25 | 1,17 | 1,40 | 1,85 | 2,29 | 3,36 | ||
| 50x30 | 1,25 | 1,49 | 2,09 | 2,45 | 3,56 | ||
| 50x40 | 1,41 | 1,69 | 2,09 | 2,77 | 4,08 | ||
| 60x30 | 1,69 | 2,33 | 2,77 | 4,08 | |||
| 60x40 | 1,88 | 2,33 | 3,09 | 4,55 | |||
| 70x30 | 1,88 | 2,82 | 3,09 | 4,55 | 5,98 | ||
| 80x40 | 3,29 | 3,72 | 5,51 | 7,26 | |||
| 80x60 | 3,29 | 4,36 | 6,47 | 8,53 | |||
| 100x40 | 3,53 | 4,36 | 6,47 | 8,53 | 10,54 | ||
| 100x50 | 3,77 | 4,68 | 6,95 | 9,17 | 11,34 | ||
| 100x60 | 5,00 | 7,43 | 9,81 | 12,13 |
Se sei interessato a lasciare una tua candidatura
clicca qui
Scarica la tabella tecnica in PDF